相關資訊
全國統一客服熱線:
021-57899261
電話:137-6109-6989
Email:wl-sales@tileblue.com
營銷中心:上海市松江區松衛北路567號13#7023
生產基地:上海市青浦區趙重公路1978號
產品詳情
聯系我們

產品概述:
電源線濾波器的作用是抑制傳導發射電流沿著電源線傳播
隔離其他設備產生的諧波,防止其他設備對PLC產生干擾
雙級濾波,高性能,被廣泛用于電子設備裝置中,尤其是開關逆變設備
技術規格:
額定電壓:250/120VDC
額定電流:1A-50A
溫度范圍:-25~85℃
絕緣電阻:線至地≥500MΩ(500VDC)
泄漏電流:≤0.5mA(250VAC/50HZ)
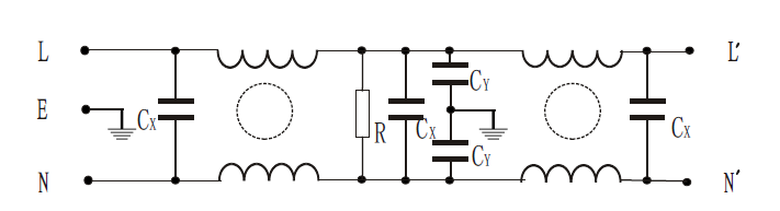
電路原理圖:

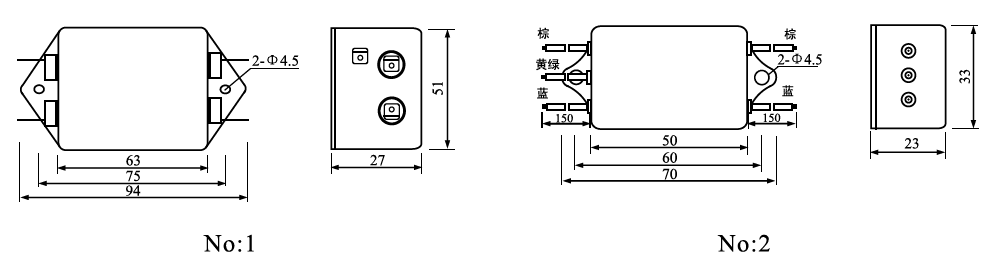
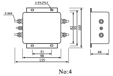
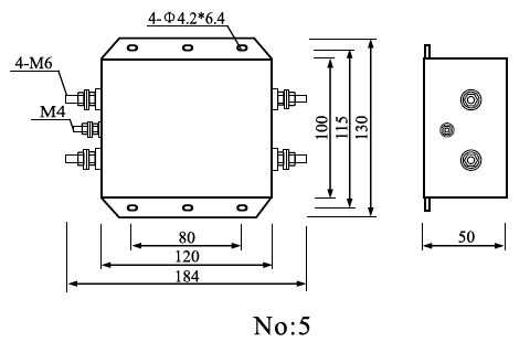
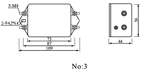
產品參數表尺寸圖:




單相濾波器,電源線濾波器
訂購:交流單相濾波器 電源線濾波器
跟此產品相關的產品




上海瓦藍電子科技有限公司